Программно-аппаратная платформа Arduino позволяет быстро создавать устройства на микроконтроллерах, практически за один вечер. В качестве примера - устройство управляющее трансивером, и превращающее его в радиомаяк. Также устройство может быть использовано на радиолюбительском репитере, так как по закону репитер должен через определенные промежутки времени передавать свой позывной. В данном примере в качестве трансивера использован Kenwood TKR-720, а устройство разрабатывалось как раз для того, чтобы репитер мог передавать свой позывной сигнал, через каждые 10 минут. Но вполне может быть использовано для создания радиолюбительского маяка, текст записать можно любой, как и алгоритм работы устройства. Устройство не имеет защиты "от зависания", в случае если вдруг Arduino "зависнет" (теоретически такое вполне может быть, но на практике пока с этим не сталкивались), кроме того, не используется запрет на передачу, если в данный момент репитер активен (т.е. если кто-то в данный момент ведет передачу через репитер - устройство все равно передаст свой позывной, произойдет наложение сигналов). Это конечно не очень здорово, но в принципе не мешает, если правильно отрегулировать уровень сигнала резистором R3. Если все-таки необходимо запретить устройству передавать позывной, если репитер активен - решить это можно очень просто - использовать любой свободный пин Arduino, заведя на него сигнал шумоподавителя с трансивера и немного скорректировав программу. Но повторюсь, в данном случае этого не требовалось, а само устройство выполнено как "дипломный проект" по окончании учебного года нашими воспитанниками (ребятами 11-12 лет).
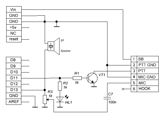
Изначально, конструктивно устройство было выполнено в виде макетной платы, подключаемой к плате Arduino, по схеме:
![]()
И все это подключалось к трансиверу (питание устройства берется с разъема трансивера, с первого контакта разъема).
Видео, как это работает (устройство подключено к репитеру, прием ведется на переноску)
Комментарии
Первый вариант Сначала был
Первый вариант
Сначала был сделан макет устройства:
По сути - это макетная плата в виде шилда для ардуино, на котором и была отлажена программа.
Затем макет был испытан "в поле", и уже после испытаний были разработаны нормальные печатные платы, без "лишних" деталей
Первый вариант так и остался на макетной плате.
Программная часть
Скетч одинаков для всех трех вариантов маяка и конечно же он не идеален, поэтому приводится лишь в качестве примера.
Для тестирования маяков была
Для тестирования маяков была собрана вот такая приблуда:
Второй вариант Ну и видео,
Второй вариант
Ну и видео, как это работает:
Принципиальная схема:
Файлы: Печатная плата второго варианта
Третий вариант Третий вариант
Третий вариант
Третий вариант отличается от второго тем, что маяк может быть перепрограммирован без извлечения контроллера. Для этого на плате предусмотрен разъем, для подключения адаптера USB-UART на микросхеме FT232RL
Принципиальная схема:
Файлы: Печатная плата в формате SPL