Пару лет назад ко мне попал самодельный трансивер. В ужасном состоянии. Оценить состояние можно взглянув на фото: http://oldradio.su/main.php?g2_itemId=45754
По словам бывшего владельца трансивера - трансивер когда-то работал, и весьма неплохо работал. На передней панеле указан год - 1996, возможно это год, когда трансивер был построен, в этом случае ему уже почти 20 лет, а судя по деталям строить его начали еще раньше...
Честно говоря не знал что с ним делать, выбросить рука не поднимается, утилизировать там практически нечего, восстановить, учитывая то, в каком он состоянии - тоже задача практически не реальная. Схемы естественно нет, хотя беглого взгляда достаточно чтобы понять что это нечто очень похожее на еще одну реинкарнацию легендарного UW3DI. В общем долго я на него смотрел, и наконец решился. Пока не знаю что это будет: реставрация, реконструкция или может быть вообще в этот корпус встанет что-нибудь другое - не знаю. Возможно что из этого вообще ничего не получится. Сложно сказать, но пока план такой: Сначала разборка и подробное документирование этого процесса, затем составление принципиальной схемы, а дальше будем посмотреть. Конечно, это работа не одного вечера, и даже боюсь предположить сколько это все может занять времени...
Возиться с аппаратом предполагается исключительно в свободное время, и естественно все результаты будут публиковаться в этой теме.
Итак, надо с чего-то начинать.
После общего фотографирования - первые эскизы:


И первый набросок принципиальной схемы, который дальше будет пополняться и уточняться:

*SW1 - в трансивере отсутствует, сломан. Предположительно это был П2К, видимо сломан был в процессе эксплуатации, так как сетевой шнур есть и припаян в обход этого выключателя, R4 - никуда не подключен, пока сложно сказать что предполагалось им регулировать...
Комментарии
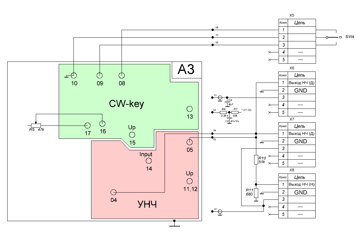
Блок А3 Фотоальбом:
Блок А3
Фотоальбом: http://oldradio.su/main.php?g2_itemId=45801
Схема блока:
Плата состоит из трех частей:
1. УНЧ на К174УН7
2. CW-key.
Схема полностью идентична вот этой схеме: Полуавтоматический телеграфный ключ поэтому приводить ее полностью не буду, ограничусь только измененной частью:
3. Третья часть на плате - видимо какая-то схема АРУ, но так как она никуда не подключена - вырисовывать ее не стал, видимо эта часть не работала или работала не так как это было задумано и в последствии была исключена за ненадобностью.
Уточненная принципиальная схема:
Топология печатной плты:
Блок А6 Фотоальбом:
Блок А6
Фотоальбом: http://oldradio.su/main.php?g2_itemId=45961
Схема блока пока в работе, предварительно на плате содержится: гетеродины, смесители, в общем это основная плата трансивера.
И уточненная принципиальная монтажная схема (так наверное будет правильнее)
Топология печатной платы:
Схема блока А6 (микрофонный
Схема блока А6 (микрофонный усилитель, смесители, гетеродины, УПЧ)
Схема блока А2 (плата блока
Схема блока А2 (плата блока питания) :
Монтажная схема:
Альбом фотогалереи: http://oldradio.su/main.php?g2_itemId=46001
Блок А5 (ГПД, смесители,
Блок А5 (ГПД, смесители, ЭМФ)
Фотоальбом: http://oldradio.su/main.php?g2_itemId=46021
Схема блока в работе, будет позже.
Уточненная монтажная схема: